シリーズ
C2.9546
シーケンスバルブ、呼び径5
ラインアップ情報
説明
C 2.9546 シーケンスバルブ
このシーケンスバルブは、油圧装置において個々のクランプシリンダーまたはサブアセンブリ全体を調整可能な時間遅延で動作させるために使用されます。
通常のシーケンスバルブは、調整された切り替え圧力を超過すると遅延なしに開きます。機能上の理由から、切り替えシーケンスを遅らせる必要がある場合があります。このため、このシーケンスバルブは圧力依存で開くのではなく、制御ピストンの調整可能なストロークによって開きます。
ハウジング内にポップペットバルブが組み込まれており、油圧式制御ピストンによって開くことができます。ポートPに圧力がかかると、作動油はオリフィスチェックバルブを通って制御ピストンに流れ込みます。ピストンストロークが比較的長いため、制御ピストンがポップペットバルブを開くまでに数秒かかります。遅延時間はピストンストロークに依存し、調整ネジで制限されています。
製品 (2)
読み込み中…
| アイテム番号 | CADデータ | Typ | Ausführung | max. Betriebsdruck [bar] | Bauart | |
|---|---|---|---|---|---|---|
|
アイテム番号
|
CADデータ
|
プロパティ
| ||||
|
アイテム番号
|
CADデータ
|
プロパティ
|
読み込み中…
アイテム番号
Typ
Zuschaltventil
Ausführung
Flanschausführung
max. Betriebsdruck [bar]
250
Bauart
Sitzventil
max. Volumenstrom [l/min]
8
Anschlussgröße
NW 5
Steuerung
zeitabhängig
Einstellbereich
0,9 – 45 s
アイテム番号
Typ
Zuschaltventil
Ausführung
Flanschausführung
max. Betriebsdruck [bar]
250
Bauart
Sitzventil
max. Volumenstrom [l/min]
8
Anschlussgröße
NW 5
Steuerung
zeitabhängig
Einstellbereich
0,5 – 18 s
アクセサリー (6)
| アイテム番号 | CADデータ | 商品の説明 |
|---|---|---|
|
アイテム番号
|
CADデータ
|
商品の説明
O-ring 7 x 1.5 mm, NBR
as per data sheet B1.5091
|
|
アイテム番号
|
商品の説明
Socket head cap screw
M5 x 50 mm - DIN 912-8.8
as per data sheet B1.486
|
|
|
アイテム番号
|
CADデータ
|
商品の説明
Mounting plate G1/4
for sequence valves 2954620 and 2954630
max. 250 bar, as per data sheet C2.9546
|
|
アイテム番号
|
商品の説明
Orifice check valve
for sequence valve 2954630
as per data sheet C2.9546
|
|
|
アイテム番号
|
商品の説明
Orifice check valve
for sequence valve 2954620
as per data sheet C2.9546
|
|
|
アイテム番号
|
商品の説明
Plug-in filter
for sequence valves 2954620 and 2954630
as per data sheet C2.9546
|
読み込み中…
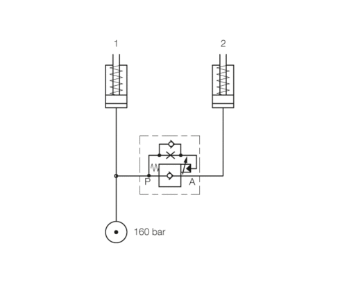
アプリケーション例
シーケンスバルブ C 2.9546 時間依存型シーケンス制御
クランプシーケンス
- シリンダー1は圧力なしでストッパーに対して移動します。
- 作動圧が160barまで上昇します。
- 調整された切替え時間後にシーケンスバルブが開き、シリンダー2はほぼ圧力なしでストッパーに対して移動します。この過程でシリンダー1は再びほぼ無圧状態になります。
- 両シリンダーの油圧が160barまで上昇する。
登録
初めてご利用ですか?
ログインエリアの無料特典をご利用ください:
- CADデータのダウンロード
- 取扱説明書をダウンロードする
ログイン
お帰りなさい
お帰りなさい!すでに登録済みのユーザーアカウントにログインしてください
読み込み中…
CADデータの読み込みに中にエラーが発生しました。インターネット接続を確認し、再度お試しください
ご注意:当社のCADデータは簡略化されたデータで、製品の外形と接続部分を表示しています(利用規約もご参照ください)。許容誤差を含む正確な寸法については、特に取付け穴や特殊クランプなどの取付け具に関する情報については、必ず該当するカタログシートをご参照ください。'
読み込み中…
予期せぬエラーが発生しました。ページを再読み込みするか、後で再度お試しください

