Hydraulic Accessories
couplings and plug-in connectors
in variable lengths and connectors
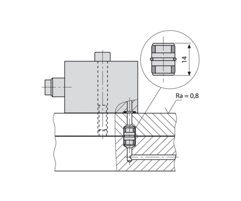
The freely selectable hose lengths should be generously dimensioned, in order to avoid kinking, abrasion marks, torsion, tensile and compressive stress and unacceptable bending radii. Protect against hot swarf.
Burst pressure 2000 bar, smallest bending radius 100 mm.
*Further information see DIN 20066
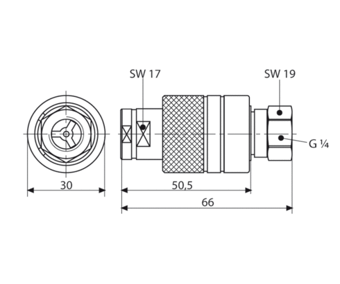
The quick-disconnect coupling is a coupling of sturdy design which locks automatically after uncoupling. Connection and disconnection is made in the unpressurised condition. The displacement of the sleeve to the corresponding coupling or uncoupling direction enables an easy one-hand operation.
with pilot-operated check valves
connecting threads:
- 2 x G 3/8 + 6 x G 1/4
- 8 x G 3/8
for plates and piping boards
max. 500 bar, nominal diameter 5 mm,
short or long version
| Item no. | CAD data | type | type | max. operating pressure [bar] | |
|---|---|---|---|---|---|
|
Item no.
|
CAD data
|
Properties
| |||
|
Item no.
|
CAD data
|
Properties
| |||
|
Item no.
|
CAD data
|
Properties
| |||
|
Item no.
|
CAD data
|
Properties
| |||
|
Item no.
|
CAD data
|
Properties
| |||
|
Item no.
|
CAD data
|
Properties
| |||
|
Item no.
|
CAD data
|
Properties
| |||
|
Item no.
|
CAD data
|
Properties
| |||
|
Item no.
|
CAD data
|
Properties
| |||
|
Item no.
|
CAD data
|
Properties
|
Take advantage of the free benefits of our login area:
- CAD data download
- Download operating instructions
Welcome back! Log in to your already existing user account.




